联系人:赵经理
手 机:18761031608
电 话:0523-87669448
QQ :1848859180
邮 件:1848859180@qq.com
传 真:0523-87669448
网 址:www.taixing-jsj.com.cn
地 址:泰兴市姚王镇泰姚北路10号
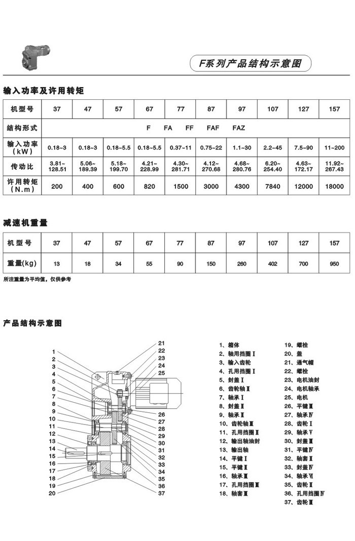
F系列平行轴斜齿轮减速机性能特点:
F系列平行轴斜齿轮减速机具有体积小、重量轻、传递扭矩大、起动平稳、低损耗、安装方式多样,输入输出灵活等特点。非常适合在空间受限制的情况下使用。并能与各种减、变速机组合,适用于各种不同条件要求的场所。
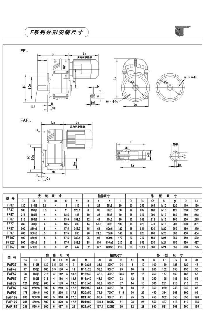
技术参数: 安装形式:
电机功率:0.18~200Kw 底脚安装
输出转速:0.1~752r/min 法兰安装
输出转矩:高至17000Nm 轴装安装





















