联系人:赵经理
手 机:18761031608
电 话:0523-87669448
QQ :1848859180
邮 件:1848859180@qq.com
传 真:0523-87669448
网 址:www.taixing-jsj.com.cn
地 址:泰兴市姚王镇泰姚北路10号
概述
TW系列减速机为平行轴式减速传动装置,该产品吸取了国内外先进的生产制造经验,由泰星减速机技术中心设计而成。主要用于桥式起重机运行机构。TWC系列减速机为垂直安装式减速机,主要用于门式起重机运行机构。两系列产品亦可用于运输、冶金、矿山、石油、化工、建筑、铁路、港口、国防工程、轻纺工业等各种机械设备中的传动机构。
1、特点
a、配套功率范围大,减速范围广。
b、装配及调整快速简单。
c、输出轴可两面装配,用于单独驱动或集中驱动。
d、结构紧凑、美观、体积小、重量轻。
e、运转平稳、噪音低。
2、适用条件
a、齿轮圆周速度≤20m/s
b、高速轴转速≤1500r/min
c、工作环境温度:-40℃~45℃
d、可正反两方向运转。
3、型号说明

<二>TW系列减速机外型及安装尺寸
1、安装型式

2、外形及联接尺寸


机座号 | 减速机支架板厚 | 橡皮块垫厚 |
TW06 | 10~12 | 12~16 |
TW08 | 12~14 | 16~20 |
TW10 TWC10 | 14~16 | 20~25 |
TW12 TWC12 | 16~18 | 25~30 |
TW16 TWC16 | 18~20 | 25~35 |
TW20 TWC20 | 22~24 | 35~40 |
TW25 TWC25 | 24~28 | 35~45 |
尺寸 机座代号 | a | h | a1 | b | b0 | b1 | c | D (H7) | d1 | d2 | L | K | e1 | e2 | f | n | r | u | v | 重量 kg |
TW06 | 125 | 285 | 180 | 168 | 20 | 160 | 82 | Φ148 | Φ14 | M10 | 185 | 161 | 42 | 50 | 24 23 17 | 80 | 29 | 128 | 120 | 27.1 |
TW08 | 160 | 358 | 230 | 210 | 20 | 200 | 87.75 | Φ190 | Φ20 | M10 | 235.75 | 188 | 47.75 | 73.5 | 43 32 80 | 96 | 40 | 154 | 154 | 42.6 |
TW10 | 200 | 452 | 297 | 274 | 25 | 250 | 98 | Φ226 | Φ22 | M12 | 261 | 208 | 53 | 84 | 35 27 80 | 127 | 51 | 210 | 186 | 72.8 |
TW12 | 250 | 566 | 360 | 346 | 30 | 304 | 111.25 | Φ266 | Φ26 | M16 | 307.25 | 255 | 61.25 | 88 | 47 55 128 | 160 | 55 | 274 | 240 | 141.3 |
TW16 | 315 | 705 | 440 | 400 | 40 | 340 | 120.75 | Φ280 | Φ34 | M16 | 331.25 | 264 | 65.75 | 100 | 50 70 132 | 220 | 75 | 320 | 260 | 210.0 |
TW20 | 400 | 820 | 525 | 500 | 50 | 340 | 127.75 | Φ280 | Φ40 | M16 | 385.25 | 318 | 67.57 | 104 | 76 | 250 | 80 | 320 | 260 | 320 |
TW25 | 500 | 1050 | 867 | 620 | 70 | 560 | 135.75 | Φ320 | Φ40 | M20 | 429.75 | 356.5 | 75.75 | 112 | 92 | 310 | 95 | 380 | 360 | 780 |
TW系列轴装式减速机输入轴容许功率及输出扭矩
3、输入轴容许功率及输出扭矩
输入轴转速1400r/min,工作级别为M6(可配920r/min)
机座号 | 公称传动比 容许功率 输出扭矩 | Ⅰ | Ⅱ | Ⅲ | Ⅳ | Ⅴ | Ⅵ | Ⅶ | Ⅷ |
14 | 16 | 18 | 20 | 22.4 | 25 | 28 | 31.5 | ||
TW06 | 容许功率(KW) | 4.473 | 3.967 | 3.586 | 3.33 | 3.061 | 2.708 | 2.422 | 2.134 |
输出扭矩(N.m) | 418 | 438 | 444 | 442 | 454 | 455 | 462 | 458 | |
TW08 | 容许功率(KW) | 6.22 | 5.793 | 5.575 | 5.132 | 4.906 | 4.448 | 4.215 | 3.981 |
输出扭矩(N.m) | 609 | 655 | 699 | 708 | 753 | 756 | 801 | 844 | |
TW10 | 容许功率(KW) | 12.141 | 11.322 | 10.480 | 10.051 | 9.176 | 8.731 | 7.825 | 7.557 |
输出扭矩(N.m) | 1145 | 1225 | 1307 | 1383 | 1391 | 1468 | 1461 | 1624 | |
TW12 | 容许功率(KW) | 31.937 | 29.857 | 28.313 | 25.387 | 22.821 | 21.582 | 19.250 | 17.905 |
输出扭矩(N.m) | 2980 | 3295 | 3482 | 3514 | 3573 | 3602 | 3598 | 3803 | |
TW16 | 容许功率(KW) | 54.710 | 48.439 | 45.267 | 42.088 | 38.914 | 34.975 | 30.314 | 27.475 |
输出扭矩(N.m) | 5288 | 5254 | 5503 | 5751 | 5973 | 6062 | 5955 | 6112 | |
TW20 | 容许功率(KW) | 101.5 | 100 | 96 | 91 | 81 | 71 | 67 | 59 |
输出扭矩(N.m) | 9684 | 9164 | 11549 | 12378 | 12401 | 12362 | 12386 | 12361 | |
TW25 | 容许功率(KW) | 154 | 143 | 132 | 121 | 113 | 90 | 87 | 82 |
输出扭矩(N.m) | 14700 | 15319 | 15925 | 16513 | 17304 | 16831 | 17270 | 17257 |
机座号 | 公称传动比 容许功率 输出扭矩 | Ⅸ | Ⅹ | Ⅺ | Ⅻ | ⅩⅢ | ⅩⅣ | ⅩⅤ | ⅩⅥ | ⅩⅦ | ⅩⅧ |
35.5 | 40 | 45 | 50 | 56 | 63 | 71 | 80 | 90 | 100 | ||
TW06 | 容许功率(KW) | 1.831 | 1.694 | 1.516 | 1.304 | 1.264 | 1.08 | 0.97 | 0.766 | 0.69 | 0.647 |
输出扭矩(N.m) | 447 | 452 | 459 | 437 | 470 | 457 | 470 | 426 | 429 | 436 | |
TW08 | 容许功率(KW) | 3.744 | 3.211 | 3.046 | 2.568 | 2.274 | 2.017 | 1.897 | 1.551 | 1.450 | 1.248 |
输出扭矩(N.m) | 892 | 860 | 918 | 879 | 887 | 891 | 899 | 848 | 908 | 842 | |
TW10 | 容许功率(KW) | 6.902 | 6.211 | 5.353 | 5.065 | 4.316 | 3.923 | 3.641 | 3.036 | 2.827 | 2.500 |
输出扭矩(N.m) | 1687 | 1702 | 1650 | 1776 | 1695 | 1650 | 1722 | 1644 | 1709 | 1653 | |
TW12 | 容许功率(KW) | 15.292 | 13.477 | 12.050 | 10.847 | 9.435 | 8.421 | 7.948 | 6.721 | 5.621 | 5.190 |
输出扭矩(N.m) | 3707 | 3775 | 3645 | 3703 | 3647 | 3667 | 3696 | 3548 | 3386 | 3507 | |
TW16 | 容许功率(KW) | 25.824 | 22.953 | 19.854 | 19.558 | 16.301 | 15.133 | 12.965 | 10.989 | 9.215 | 8.603 |
输出扭矩(N.m) | 6165 | 6269 | 6117 | 6174 | 6275 | 6340 | 6168 | 5967 | 5742 | 5795 | |
TW20 | 容许功率(KW) | 51 | 41 | 37 | 35 | 27 | 25 | 22 | 17 | 16 | 13 |
输出扭矩(N.m) | 12235 | 12065 | 10888 | 11163 | 10498 | 10455 | 10662 | 8920 | 9797 | 8654 | |
TW25 | 容许功率(KW) | 73 | 69 | 61 | 57 | 46 | 41 | 41 | 37 | 32 | 29 |
输出扭矩(N.m) | 17593 | 18738 | 19066 | 19097 | 18146 | 18241 | 19526 | 20648 | 20014 | 20478 |
注:配套电机功率:Nn<容许功率÷2~2.5
4、输入轴转速1400r/min,连续工作型
机座号 | 公称传动比 容许功率 输出扭矩 | Ⅰ | Ⅱ | Ⅲ | Ⅳ | Ⅴ | Ⅵ | Ⅶ | Ⅷ |
14 | 16 | 18 | 20 | 22.4 | 25 | 28 | 31.5 | ||
TW06 | 容许功率(KW) | 3.17 | 2.78 | 2.49 | 2.29 | 2.08 | 1.82 | 1.62 | 1.41 |
输出扭矩(N.m) | 296 | 307 | 308 | 305 | 309 | 306 | 309 | 302 | |
TW08 | 容许功率(KW) | 4.39 | 4.06 | 3.85 | 3.5 | 3.32 | 2.99 | 2.81 | 2.6 |
输出扭矩(N.m) | 430 | 459 | 482 | 483 | 510 | 509 | 533 | 552 | |
TW10 | 容许功率(KW) | 8.63 | 7.91 | 7.29 | 6.96 | 6.28 | 5.89 | 5.26 | 5.19 |
输出扭矩(N.m) | 814 | 856 | 910 | 967 | 951 | 991 | 982 | 1077 | |
TW12 | 容许功率(KW) | 23.28 | 21.50 | 20.07 | 17.82 | 15.84 | 15.18 | 13.05 | 11.53 |
输出扭矩(N.m) | 2172 | 2372 | 2469 | 2467 | 2480 | 2471 | 2439 | 2548 | |
TW16 | 容许功率(KW) | 33.90 | 32.05 | 31.46 | 28.91 | 23.68 | 23.57 | 20.31 | 18.16 |
输出扭矩(N.m) | 3760 | 3694 | 3825 | 3951 | 4050 | 4086 | 3990 | 4040 | |
TW20 | 容许功率(KW) | 60.83 | 60 | 57.6 | 54.6 | 48.6 | 42.6 | 40.2 | 35.4 |
输出扭矩(N.m) | 5810 | 5498 | 6929 | 7426 | 7440 | 7417 | 7431 | 7416 | |
TW25 | 容许功率(KW) | 92.4 | 85 | 79 | 72 | 67 | 57 | 52 | 49 |
输出扭矩(N.m) | 8820 | 9191 | 9555 | 9907 | 10382 | 10098 | 10332 | 10354 |
机座号 | 公称传动比 容许功率 输出扭矩 | Ⅸ | Ⅹ | Ⅺ | Ⅻ | ⅩⅢ | ⅩⅣ | ⅩⅤ | ⅩⅥ | ⅩⅦ | ⅩⅧ |
35.5 | 40 | 45 | 50 | 56 | 63 | 71 | 80 | 90 | 100 | ||
TW06 | 容许功率(KW) | 1.19 | 1.10 | 0.97 | 0.83 | 0.80 | 0.67 | 0.60 | 0.47 | 0.42 | 0.39 |
输出扭矩(N.m) | 291 | 294 | 293 | 277 | 296 | 283 | 289 | 260 | 259 | 262 | |
TW08 | 容许功率(KW) | 2.45 | 2.07 | 1.94 | 1.63 | 1.43 | 1.26 | 1.18 | 0.95 | 0.88 | 0.75 |
输出扭矩(N.m) | 583 | 555 | 586 | 556 | 558 | 557 | 557 | 522 | 550 | 506 | |
TW10 | 容许功率(KW) | 4.55 | 4.04 | 3.44 | 3.21 | 2.71 | 2.43 | 2.24 | 1.85 | 1.70 | 1.49 |
输出扭矩(N.m) | 1112 | 1106 | 1059 | 1124 | 1064 | 1023 | 1059 | 1004 | 1053 | 985 | |
TW12 | 容许功率(KW) | 10.18 | 8.88 | 7.83 | 7.00 | 6.01 | 5.32 | 4.95 | 4.13 | 3.89 | 3.13 |
输出扭矩(N.m) | 2469 | 2488 | 2369 | 2388 | 2323 | 2318 | 2303 | 2178 | 2065 | 2118 | |
TW16 | 容许功率(KW) | 16.99 | 15.10 | 12.91 | 12.06 | 10.43 | 9.56 | 8.08 | 6.85 | 5.74 | 5.24 |
输出扭矩(N.m) | 4057 | 4125 | 3976 | 4013 | 4016 | 4007 | 3842 | 3717 | 3577 | 3529 | |
TW20 | 容许功率(KW) | 30.6 | 24.6 | 22.2 | 21 | 16.2 | 15 | 13.2 | 10.2 | 9.6 | 7.8 |
输出扭矩(N.m) | 7341 | 7239 | 6532 | 6698 | 6298 | 6273 | 6397 | 5352 | 5878 | 5192 | |
TW25 | 容许功率(KW) | 43 | 41 | 36 | 34 | 27 | 24 | 24 | 22 | 19 | 17 |
输出扭矩(N.m) | 10555 | 10239 | 11438 | 11458 | 10887 | 10944 | 11715 | 12385 | 12008 | 12288 |
注:配套电机功率:Nn<容许功率÷2~2.5
<三>TWC系列减速机外型及安装尺寸
1、安装尺寸

2、外形及联接尺寸

座号 | a | c | d | e | f | k | m | n | o | p | q | r | s | t | 质量 kg |
TWC10 | 208 | 104 | 137 | 40 | 125 | 274 | 225 | 127 | 325 | 490 | 86 | 56 | , Φ22 | 26 | 72.25 |
TWC12 | 255 | 127.5 | 173 | 45 | 150 | 346 | 280 | 160 | 406 | 612 | 101.5 | 70 | Φ26 | 36 | 141.32 |
TWC16 | 264 | 132 | 200 | 55 | 180 | 400 | 355 | 220 | 485 | 760 | 104 | 85 | Φ34 | 46 | 210 |
TWC20 | 318 | 159 | 250 | 55 | 220 | 500 | 470 | 250 | 625 | 930 | 140 | 100 | Φ40 | 50 | 350 |
TWC25 | 356.5 | 178.25 | 310 | 75 | 275 | 620 | 580 | 310 | 777 | 1160 | 180 | 125 | Φ40 | 70 | 820 |
3、工作级别为M6时,减速器承载能力表
公称传动比 i | 公称转速 r/min | 规格 | |||||
输入 n1 | 输出 n2 | 10 | 12 | 16 | 20 | 25 | |
公称输入功率 P kW | |||||||
22.4 | 1500 | 66 | 9.1 | 22.8 | 38.9 | 81 | 96 |
1000 | 44 | 6.1 | 15.2 | 25.9 | 54 | 64 | |
750 | 33 | 4.5 | 11.4 | 19.5 | 40 | 48 | |
25 | 1500 | 60 | 8.3 | 21.5 | 35 | 70 | 89 |
1000 | 40 | 5.5 | 16.5 | 23.3 | 46.5 | 59 | |
750 | 30 | 4.1 | 11 | 17.5 | 35 | 44.5 | |
28 | 1500 | 53.5 | 7.8 | 19.2 | 30.3 | 67 | 82 |
1000 | 35.5 | 5.2 | 12.5 | 20 | 44.5 | 54.5 | |
750 | 26.5 | 3.9 | 9.6 | 15.2 | 33.5 | 41 | |
31.5 | 1500 | 47.5 | 7.8 | 17.9 | 27.4 | 60 | 75 |
1000 | 31.5 | 5.2 | 11.9 | 18.2 | 40 | 50 | |
750 | 23.5 | 3.9 | 9 | 13.7 | 30 | 37 | |
35.5 | 1500 | 42 | 6.9 | 15.2 | 25.8 | 50 | 70 |
1000 | 28 | 4.6 | 10.1 | 17.2 | 33 | 46 | |
750 | 21 | 3.5 | 7.6 | 12.9 | 25 | 35 | |
40 | 1500 | 37.5 | 6.2 | 13.5 | 23 | 40 | 60 |
1000 | 25 | 4.1 | 9 | 15 | 26.5 | 40 | |
750 | 18.3 | 3.1 | 6.7 | 11.5 | 20 | 30 | |
45 | 1500 | 33 | 5.3 | 12.0 | 19.5 | 37 | 54 |
1000 | 22 | 3.5 | 8 | 13 | 24.5 | 36 | |
750 | 16.5 | 2.7 | 6 | 10 | 18.5 | 27 | |
50 | 1500 | 30 | 5.1 | 10.8 | 19.5 | 35 | 51 |
1000 | 20 | 3.4 | 7.2 | 13 | 23 | 34 | |
750 | 15 | 2.5 | 5.4 | 10 | 17.5 | 25.5 | |
56 | 1500 | 26.5 | 4.3 | 9.4 | 16.3 | 27 | 45 |
1000 | 17.5 | 2.8 | 6.2 | 10.8 | 18 | 30 | |
750 | 13 | 2.2 | 4.7 | 8.2 | 13.5 | 22.5 | |
63 | 1500 | 23.5 | 3.9 | 8.4 | 15.1 | 25 | 43 |
1000 | 15.5 | 2.6 | 5.6 | 10 | 16.5 | 28.5 | |
750 | 12 | 2 | 4.2 | 7.5 | 12.5 | 21.5 | |
71 | 1500 | 21 | 3.6 | 7.0 | 13 | 22 | 38 |
1000 | 14 | 2.4 | 4.5 | 8.5 | 15 | 25 | |
750 | 10.5 | 1.8 | 3.5 | 6.5 | 11 | 19 | |
80 | 1500 | 18.5 | 3.0 | 6.7 | 11 | 17 | 35 |
1000 | 12.5 | 2 | 4.5 | 7.3 | 11 | 23 | |
750 | 9 | 1.5 | 3.3 | 5.5 | 8.5 | 17.5 | |
90 | 1500 | 16.5 | 2.8 | 5.6 | 9.2 | 16 | 28 |
1000 | 11 | 1.8 | 3.7 | 6.1 | 10.5 | 18.5 | |
750 | 8 | 1.4 | 2.8 | 4.6 | 8 | 14 | |
100 | 1500 | 15 | 2.5 | 5.2 | 8.6 | 13 | 25 |
1000 | 10 | 1.6 | 3.4 | 5.7 | 8.6 | 16.5 | |
750 | 7.5 | 1.3 | 2.6 | 4.3 | 6.5 | 12.5 | |
115 | 1500 | 13 | 2.3 | 5 | 8.1 | 12 | 23 |
1000 | 8.5 | 1.5 | 3.3 | 5.4 | 8 | 1.5 | |
750 | 6.5 | 1.2 | 2.5 | 4.1 | 6 | 11.5 | |
128 | 1500 | 11.5 | 1.8 | 4.2 | 6.8 | 10.5 | 21 |
1000 | 7.5 | 1.2 | 2.8 | 4.5 | 7 | 14 | |
750 | 5.5 | 0.9 | 2.1 | 3.4 | 5.3 | 11 | |
145 | 1500 | 10 | 1.7 | 3.5 | 5.7 | 9.5 | 20 |
1000 | 6.5 | 1.1 | 2.3 | 3.8 | 6.3 | 13.3 | |
750 | 5 | 0.85 | 1.8 | 2.9 | 4.7 | 11 | |
160 | 1500 | 9 | 1.5 | 3.2 | 5.3 | 8 | 18 |
1000 | 6 | 1 | 2.1 | 3.5 | 5.3 | 12 | |
750 | 4.5 | 0.75 | 1.6 | 2.6 | 4 | 9 | |
注:配套电机功率:Nn≤容许功率÷2~25
4、连续工作型,减速器承载能力表
公称传动比 i | 公称转速 r/min | 规格 | |||||
输入 n1 | 输出 n2 | 10 | 12 | 16 | 20 | 25 | |
公称输入功率 P kW | |||||||
22.4 | 1500 | 66 | 6.28 | 15.84 | 23.68 | 48.6 | 57.6 |
1000 | 44 | 4.48 | 11.2 | 16.30 | 33.5 | 39.7 | |
750 | 33 | 3.10 | 7.9 | 11.80 | 24.3 | 28.8 | |
25 | 1500 | 60 | 5.89 | 15.18 | 23.57 | 42.6 | 53.4 |
1000 | 40 | 4.20 | 10.8 | 16.25 | 29.35 | 36.8 | |
750 | 30 | 2.90 | 7.5 | 11.75 | 21.3 | 26.7 | |
28 | 1500 | 53.5 | 5.26 | 13.05 | 20.31 | 40.2 | 49.1 |
1000 | 35.5 | 3.75 | 9.30 | 14.00 | 27.7 | 33.86 | |
750 | 26.5 | 2.50 | 6.50 | 10.1 | 20.1 | 24.5 | |
31.5 | 1500 | 47.5 | 5.19 | 11.53 | 18.16 | 35.4 | 45 |
1000 | 31.5 | 3.70 | 8.23 | 12.5 | 24.4 | 31 | |
750 | 23.5 | 2.50 | 5.75 | 9.1 | 17.5 | 22.5 | |
35.5 | 1500 | 42 | 4.55 | 10.18 | 16.99 | 30.6 | 42 |
1000 | 28 | 3.20 | 7.1 | 11.7 | 21 | 21.85 | |
750 | 21 | 2.20 | 5.1 | 8.5 | 15.3 | 21 | |
40 | 1500 | 37.5 | 4.04 | 8.88 | 15.10 | 24.6 | 36 |
1000 | 25 | 2.75 | 6.1 | 10.4 | 16.9 | 24.8 | |
750 | 18.3 | 2.00 | 4.4 | 7.5 | 12.3 | 18 | |
45 | 1500 | 33 | 3.44 | 7.83 | 12.91 | 22.2 | 32.4 |
1000 | 22 | 2.4 | 5.45 | 8.9 | 15.3 | 21.7 | |
750 | 16.5 | 1.7 | 3.9 | 6.45 | 11 | 16.2 | |
50 | 1500 | 30 | 3.21 | 7.00 | 12.06 | 231 | 30.6 |
1000 | 20 | 2.2 | 4.8 | 8.31 | 14.45 | 21.10 | |
750 | 15 | 1.60 | 3.5 | 6.00 | 10.5 | 15.3 | |
56 | 1500 | 26.5 | 2.71 | 6.01 | 10.43 | 16.2 | 27 |
1000 | 17.5 | 1.9 | 4.13 | 7.15 | 11.15 | 18.6 | |
750 | 13 | 1.30 | 3.00 | 5.2 | 8 | 13.5 | |
63 | 1500 | 23.5 | 2.43 | 5.32 | 9.56 | 15 | 25.3 |
1000 | 15.5 | 1.70 | 3.60 | 6.55 | 10.3 | 17.4 | |
750 | 12 | 1.2 | 2.65 | 4.75 | 7.5 | 12.6 | |
71 | 1500 | 21 | 2.24 | 4.95 | 8.08 | 13.2 | 21.8 |
1000 | 14 | 1.5 | 3.41 | 5.5 | 9.1 | 15 | |
750 | 10.5 | 1.1 | 2.5 | 4 | 6.6 | 10.5 | |
80 | 1500 | 18.5 | 1.85 | 4.13 | 6.85 | 10.2 | 21 |
1000 | 12.5 | 1.3 | 2.8 | 4.72 | 7 | 14.4 | |
750 | 9 | 0.9 | 2.0 | 3.4 | 5.1 | 10 | |
90 | 1500 | 16.5 | 1.70 | 3.89 | 5.74 | 9.6 | 16.3 |
1000 | 11 | 1.1 | 2.68 | 3.9 | 6.6 | 11.20 | |
750 | 8 | 0.8 | 1.94 | 2.85 | 4.8 | 8.15 | |
100 | 1500 | 15 | 1.49 | 3.13 | 5.24 | 7.8 | 15 |
1000 | 10 | 1 | 2.15 | 3.5 | 5.35 | 10 | |
750 | 7.5 | 0.72 | 1.56 | 2.6 | 3.9 | 7.5 | |
115 | 1500 | 13 | 1.40 | 3.09 | 5.05 | 7.2 | 15 |
1000 | 8.5 | 0.95 | 2.10 | 3.45 | 4.9 | ||
750 | 6.5 | 0.70 | 1.5 | 2.50 | 3.6 | ||
128 | 1500 | 11.5 | 1.16 | 2.58 | 4.28 | 6.36 | 13.8 |
1000 | 7.5 | 0.75 | 1.78 | 2.90 | 4.35 | 9.5 | |
750 | 5.5 | 0.55 | 1.25 | 2.14 | 3.15 | 6.9 | |
145 | 1500 | 10 | 1.06 | 2.43 | 3.59 | 5.7 | 12 |
1000 | 6.5 | 0.70 | 1.67 | 2.45 | 3.9 | 8.25 | |
750 | 5 | 0.50 | 1.2 | 1.75 | 2.85 | 6 | |
160 | 1500 | 9 | 0.93 | 1.96 | 3.25 | 4.87 | 10.8 |
1000 | 6 | 0.65 | 1.35 | 2.2 | 3.35 | 7.4 | |
750 | 4.5 | 0.45 | 0.95 | 1.62 | 2.4 | 5.4 | |
<四>输出轴联接尺寸
1、花键轴(H)


注:用户可以根据需要,从表中选用小一号或更小的花键副。
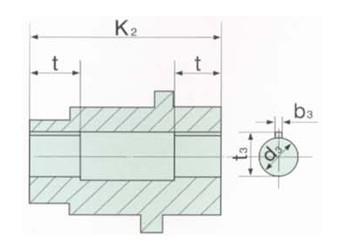
2、空心平键轴(P)

机座代号 | K2 | t | d3H7 | b3 | t3 |
08 | 188 | 55 | 40 | 12 | 43.3 |
10 | 208 | 60 | 50 | 14 | 53.8 |
12 | 255 | 65 | 60 | 18 | 64.4 |
16 | 264 | 75 | 90 | 25 | 95.4 |
20 | 318 | 85 | 100 | 28 | 106.4 |
25 | 356.5 | 95 | 100 | 28 | 106.4 |
TW.TWC系列减速机配套电机主要技术参数
参数 型号 | 功 率 KW | 转速 r/min | 额 定 电流 (A) | *大转 速额定 转矩 | 效率 (η) | 功率 因素 | 绝缘 等级 | 制动 力矩(N.m) | 转子开 路电压 (V) | 转子 电流 (A) | 基准工 作制(K) | 外形尺寸 D×L |
ZDR12-4 | 1.5 | 1350 | 4.5 | 3 | 0.7 | 0.75 | B | 10.8 | 131 | 9.5 | 25% | Φ218×488 |
ZDR112L1-4 | 2.2 | 1350 | 5.6 | 3 | 0.79 | 0.8 | F | 15.7 | 131 | 12.0 | 40% | Φ218×507.3 |
ZDR112L4-4 | 3.0 | 1350 | 7.5 | 3 | 0.8 | 0.8 | F | 19.6 | 131 | 16.0 | 40% | Φ218×507.3 |
ZDR123-4 | 4.6 | 1350 | 13 | 2.5 | 0.73 | 0.64 | F | 33.2 | 175 | 18.0 | 40% | Φ249×542.5 |
ZDR140-4 | 8.0 | 1380 | 25.5 | 2.5 | 0.77 | 0.63 | F | 62.0 | 168 | 31.0 | 40% | Φ249×297 |
YZRE112M-4 | 0.8 | 1380 | 2.4 | 2.5 | 0.65 | 0.78 | F | 27 | 100 | 8 | 40% | Φ250×313 |
YZRE112M-4 | 1.5 | 1400 | 4.5 | 2.5 | 0.68 | 0.79 | F | 30 | 100 | 12.5 | 40% | Φ250×313 |
YZRE112M-4 | 2.2 | 1410 | 6 | 2.5 | 0.72 | 0.76 | F | 30 | 132 | 12.6 | 40% | Φ250×333 |
YZRE132M1-4 | 3.7 | 1410 | 9.2 | 2.7 | 0.77 | 0.77 | F | 50 | 187 | 14.5 | 40% | Φ300×548 |
YZRE132M2-4 | 5.5 | 1410 | 15 | 2.7 | 0.77 | 0.78 | F | 50 | 139 | 25.7 | 40% | Φ300×598 |
YZRE132M3-4 | 7.5 | 1410 | 17 | 3 | 0.80 | 0.82 | F | 50 | 185 | 26.5 | 40% | Φ300×618 |
YZRE160M1-4 | 7.5 | 1420 | 17 | 3 | 0.80 | 0.82 | F | 80 | 185 | 26.5 | 40% | Φ350×667 |
YZRE160M2-4 | 11 | 1420 | 24.5 | 3 | 0.82 | 0.825 | F | 80 | 252 | 27.6 | 40% | Φ350×722 |
YZRE160L-4 | 15 | 1420 | 33 | 3 | 0.86 | 0.825 | F | 80 | 218 | 46 | 40% | Φ350×752 |
ZDY 21-4 | 0.8 | 1420 | 2.4 | 2.51 | 0.7 | 0.72 | F | 8.036 | Φ217×329 | |||
ZDY 22-4 | 1.5 | 1380 | 4.3 | 2.5 | 0.72 | 0.74 | B | 19.6 | Φ233×355 | |||
YEJ30-4 | 0.75 | 1380 | 2.0 | 0.75 | 0.78 | B | 10 | Φ200×385 | ||||
YEJ90L-4 | 1.5 | 1500 | 3.6 | 0.78 | 0.82 | F | 20 | Φ200×425 | ||||
YEJ100L-4 | 3 | 1500 | 6.65 | 0.825 | 0.83 | F | 38 | Φ250×465 | ||||
YEJ112M-4 | 4 | 1500 | 8.6 | 0.84 | 0.84 | F | 50 | Φ250×495 | ||||
YEJ123S-4 | 5.5 | 1500 | 11.5 | 0.845 | 0.87 | F | 95 | Φ250×575 | ||||
YEJ132M-4 | 7.5 | 1500 | 15.5 | 0.865 | 0.86 | F | 95 | Φ200×620 | ||||
YEJ160M-4 | 11 | 1500 | 22 | 0.875 | 0.86 | F | 190 | Φ330×710 | ||||
YEJ160L-4 | 15 | 1500 | 30 | 0.88 | 0.86 | F | 190 | Φ330×755 |
注:1、额定电压 为380伏,频率50赫兹。
2、绕线电机作起动用时可选用频敏变阻。
3、绕线电机转子回路,由用户设计和配置电阻后方可使用,不许直接短路使用。
4、ZDY、YEJ型电机为鼠笼式电机,ZDR、YZR型电机为绕线式电机。
5、按用户要求,还可配置变速电机、盘式电机及其它特种电机。
TW、TWC系列减速机选用说明:
根据“起重机设计规范”(GB3811-83)中的规定,起重机各机构有不同的工作级别:分M1~M8共8种。本系列所列功率M6工作级别的功率表,若用其它级别时,应按下列公式折算:
NMi=Nm6×1.12(6-i) (KW)
式中:i-工作级别
NMi--相对Mi工作级别的功率值
Nm6-功率表在容许功率值
对于运行机构因惯性载荷较大,疲劳计算基本载荷取为机构起动时,计算零件承受的惯性力矩和静力矩之和。
对于惯性载荷较小,起制动次数较少的机构,计算结果可直接按小于表列功率选用。但一般运行机构,惯性载较大,起制动频繁应取机构制动时所承受的*大振动力矩计算,此时应把表功率除以系数Ψ5。
Ψ5 弹性振动力矩增大系数。
考虑到重级或特重级起重机运行机构的工作条件比较恶劣。(机构经常处于起动,制动工况),应取Ψ5=2~2.5为宜。
即:NM1=Ψ5Nn=(2~2.5)Nn
式中Nn—电机额定功率