欢迎来到泰星减速机股份有限公司官网!

联系我们

联系人:赵经理

手  机:18761031608

电   话:0523-87669448

QQ    :1848859180

邮  件:1848859180@qq.com

传  真:0523-87669448

网  址:www.taixing-jsj.com.cn

地  址:泰兴市姚王镇泰姚北路10号

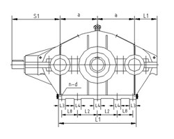
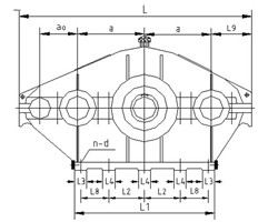
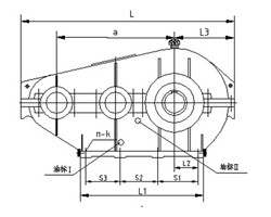
泰星三环减速机

您的当前位置: 首 页>> 泰星减速机>> 泰星三环减速机
泰星减速机股份有限公司为你详细介绍泰星减速机,江苏省泰兴减速机厂,泰星减速机股份有限公司的产品分类,包括泰星三环减速机下的所有产品的用途、型号、范围、图片、新闻及价格。同时我们还为您精选了泰星三环减速机分类的行业资讯、价格行情、展会信息、图片资料等,在全国地区获得用户好评,欲了解更多详细信息,请点击访问!
上一页1下一页
在线客服
二维码

扫一扫获取报价